Zum Hauptinhalt springen Zur Suche springen Zur Hauptnavigation springen

Rohrverbinder T-Stück / T-Verbinder kurz 45° - Typ 3

Rohrverbinder T-Stück kurz 45° – Typ 3 | Verzinkt

Sorgen Sie für maximale Stabilität und diagonale Verstrebungen mit dem Rohrverbinder T-Stück kurz 45° (Typ 3). Dieser Verbinder ist die erste Wahl, wenn es darum geht, ein abzweigendes Rohr in einem festen 45-Grad-Winkel an einem durchgehenden Rohr zu befestigen.

Ideal für Aussteifungen & Geländer

Während klassische T-Stücke meist 90°-Winkel bilden, ermöglicht der Typ 3 schräge Verbindungen. Dies ist besonders wichtig für:

  • Verstrebungen: Zur Aussteifung von Regalen, Tischen oder Dächern ("Kopfband").
  • Geländerbau: Für schräge Streben oder Design-Elemente.
  • Konstruktiver Rohrleitungsbau: Wenn feste Winkelvorgaben eingehalten werden müssen.

Technische Bauweise

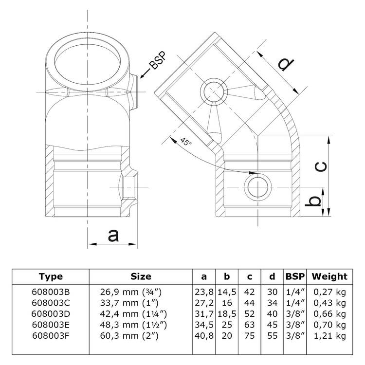
Der Verbinder ist so konstruiert, dass ein Rohr vollständig durch das T-Stück hindurchläuft (das Durchgangsrohr). Das zweite Rohr wird im 45°-Winkel in den Abgang gesteckt und dort fixiert.

⚠️ Wichtiger Montage-Hinweis:
Bitte beachten Sie, dass der durchgehende Abschnitt dieses Verbinders nicht dafür geeignet ist, zwei Rohrenden miteinander zu verbinden (keine Kupplungsfunktion). Das Rohr muss im Verbinder am Stück durchlaufen, um die Stabilität zu gewährleisten.

Material & Qualität

Gefertigt aus robustem Temperguss und anschließend feuerverzinkt, bietet dieser Rohrverbinder höchsten Schutz vor Korrosion und Witterungseinflüssen. Er ist sowohl für den Innen- als auch für den Außenbereich geeignet.

Verfügbare Größen

Wir bieten das 45°-T-Stück für folgende Rohraußendurchmesser an:

  • Ø 26,9 mm (¾ Zoll)
  • Ø 33,7 mm (1 Zoll)
  • Ø 42,4 mm (1 ¼ Zoll)
  • Ø 48,3 mm (1 ½ Zoll)
  • Ø 60,3 mm (2 Zoll)

Ihre Vorteile auf einen Blick

  • Fester Winkel: Präzise 45°-Verbindung ohne Spiel.
  • Stabil: Durchgehendes Rohr sorgt für hohe Statik.
  • Vielseitig: Perfekt für diagonale Verstrebungen.
  • Langlebig: Wetterfest durch Feuerverzinkung.
Herstellerinformationen:

Gaßmann GmbH (Schellen-Shop)
Robert-Bosch-Str. 4
D-37308 Heilbad Heiligenstadt
Tel.: +49 3606/551018
info@schellen-shop.de
Technische Daten
Rohrverbinder T-Stück / T-Verbinder kurz 45° - Typ 3
Material: Gusseisen verzinkt
Angaben gemäß Hersteller. Irrtum und Änderung vorbehalten.
Weitere technische Details auf Anfrage!

0 von 0 Bewertungen

Durchschnittliche Bewertung von 0 von 5 Sternen

Bewerten Sie dieses Produkt!

Teilen Sie Ihre Erfahrungen mit anderen Kunden.


testDas könnte auch passen
Kontakt
Nehmen Sie Kontakt mit uns auf

E-Mail: info@schellen-shop.de
Zum Kontaktformular
Rückruf