Halterungsschelle mit Konsole
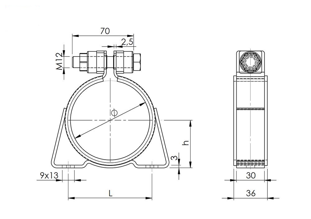
Die Halterungsschelle SPGU 6011 mit Gummiprofil ist die schwere, einteilige Ausführung der NORMAFIX® HMK. Bei dieser Variante sind die Konsolenenden umgelegt und an das Band gepunktet. Diese Konsolenschellen Konstruktion ermöglicht einen Einsatz auch bei hohen mechanischen Beanspruchungen sowie die Befestigung sehr schwerer Rohre und Behälter. Die NORMAFIX® Halterungsschelle mit Konsole ist in der Bandbreite 30 mm erhältlich.
Unterm Ohmberg 24
D-34431 Marsberg
Tel.: +49 (29 92) 907 191
info.ndc@normagroup.com
Halterungschelle mit Konsole HMK SPGU 6011 - einteilig, schwere Ausführung
| Durchmesser (mm): | 80, 85, 89, 92, 95, 102, 106, 108, 112, 113, 114, 117, 120, 124, 125, 128, 135, 136, 140, 145, 146, 150, 154, 156, 160, 163, 165, 167, 170, 172, 176, 177, 179, 320 | 
|---|---|
| Material: | galvanisch verzinkt (zn) | 
| Materialabmessung (mm): | 30x3 | 
Anmelden
1 Bewertung
6. Juni 2022 14:26
Top Qualitöt, super schn...
Top Qualitöt, super schnelle Lieferung, nur zu empfehlen.
 
                                                                         
                                     
                                     
                                     
                                     
                                                 
                                                                                                                                                                                                                             
                                                                                                                                                                                                                             
                                                                                                                                                                                                                             
                                                                                                                                                                                                                             
                                                
                            
                                                            
                
                                                             
                                                
                            
                                                            
                
                                                            